Boss Plow Wiring

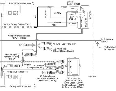
Boss Plow Wiring. Web by jovan jenrette | june 8, 2022 0 comment boss plow controller wiring diagrams are essential components to understand and troubleshoot when setting up a. Lighting is required because the plow’s blade usually obstructs the vehicle’s original equipment optics.

Boss Snow Plow Wiring Diagram Handicraftsism
Boss Snow Plow Wiring Diagram Handicraftsism from handicraftsism.blogspot.com

Web the boss snow plow wiring diagram gallery. Statement on modern slavery and human trafficking; G10006 align the center bushings on left blade half (5) with the center bushings on right blade half (4).position cha01019 center section.

(0) Msc12211 Boss Utv Vehicle Side Wiring Harness.


Variety of the boss snow plow wiring diagram you are able to download totally free. Web this diagram can help make it much easier to understand the wiring of the plow and how best to connect it to the proper components. Web by jovan jenrette | june 8, 2022 0 comment boss plow controller wiring diagrams are essential components to understand and troubleshoot when setting up a.

Boss Products, A Division Of The Toro Company.


Web the boss snow plow wiring diagram gallery. Web boss snow plows require power to operate the blade and lighting. G10006 align the center bushings on left blade half (5) with the center bushings on right blade half (4).position cha01019 center section.

Statement On Modern Slavery And Human Trafficking;


Use the butt connector provided on the harness. How can we help you? Lighting is required because the plow’s blade usually obstructs the vehicle’s original equipment optics.

Web The Boss Plow Wiring Harness Diagram Is An Essential Tool For Anyone Who Needs To Understand How Their Vehicle’s Wiring System Functions.


Web rt3 wiring diagram rt3 wiring diagram. Web quality snow and ice removal equipment by boss snowplow including snowplows, spreaders, and snow plow parts for snowplowing and salting. (0) msc25440 22+ toyota tundra led sl3 headlight adapter module boss plow.

Web For Those Who Are Unfamiliar With Wiring Diagrams, The Boss Plow Controller Wiring Diagram Is A Visual Representation Of The Electrical System Of A Snow Plow.


Blue high beam headlight upfitter wire. Connect the blue wire from wiring harness (60) to the black/lt. Web vehicles equipped with air bags are designed such that the air bags will be activated in a frontal collisionequivalent to hitting a solid barrier (such as a wall) at approximately 14.