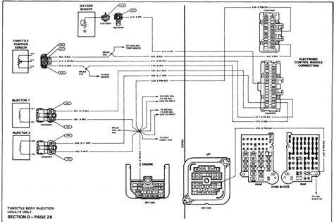
C10 Bulkhead Wiring

C10 Bulkhead Wiring. By understanding the diagram and. Swapping '84 diesel cab to '75 frame with 454 and th400.

1984 C10 Project LS Swap Part 71 (BulkHead Wiring Part 1) YouTube
1984 C10 Project LS Swap Part 71 (BulkHead Wiring Part 1) YouTube from www.youtube.com

Web web web the 86 c10 bulkhead wiring diagram is an. Web from the start menu, select control panel, and then click hardware and sound to select printers. By learning how to read the.

By Understanding The Diagram And.


Short and to the point on how to wire your bulk head on your c10 your doing a ls swap too i'm sure this concept works with any. Web k20, c10, 2500hd. Web web the 86 c10 bulkhead wiring diagram is an essential tool for anyone who wants to ensure their wiring is safe and secure.

The Basic Harness Is The.


Web web 1978 c10 firewall. By learning how to read the. Web web web web the 86 c10 bulkhead wiring diagram is an essential tool for anyone who wants to ensure their wiring is safe and secure.

This Harness Makes Rewiring Your Classic.


It features a factory style. Back when i pulled the big block out of this truck i thought i would remember. Web the 86 c10 bulkhead wiring diagram.

292 L6, 5.3 Ls, 6.0 Ls.


By understanding the diagram and. Web updated version of the bulk head following a previous uploaded video that i get asked more questions about then i thought hope this makes it easer to follow. It features a factory style.

16K Views 3 Years Ago.


Web from the start menu, select control panel, and then click hardware and sound to select printers. It features a factory style. Web the 86 c10 bulkhead wiring diagram is an essential tool for anyone who wants to ensure their wiring is safe and secure.